
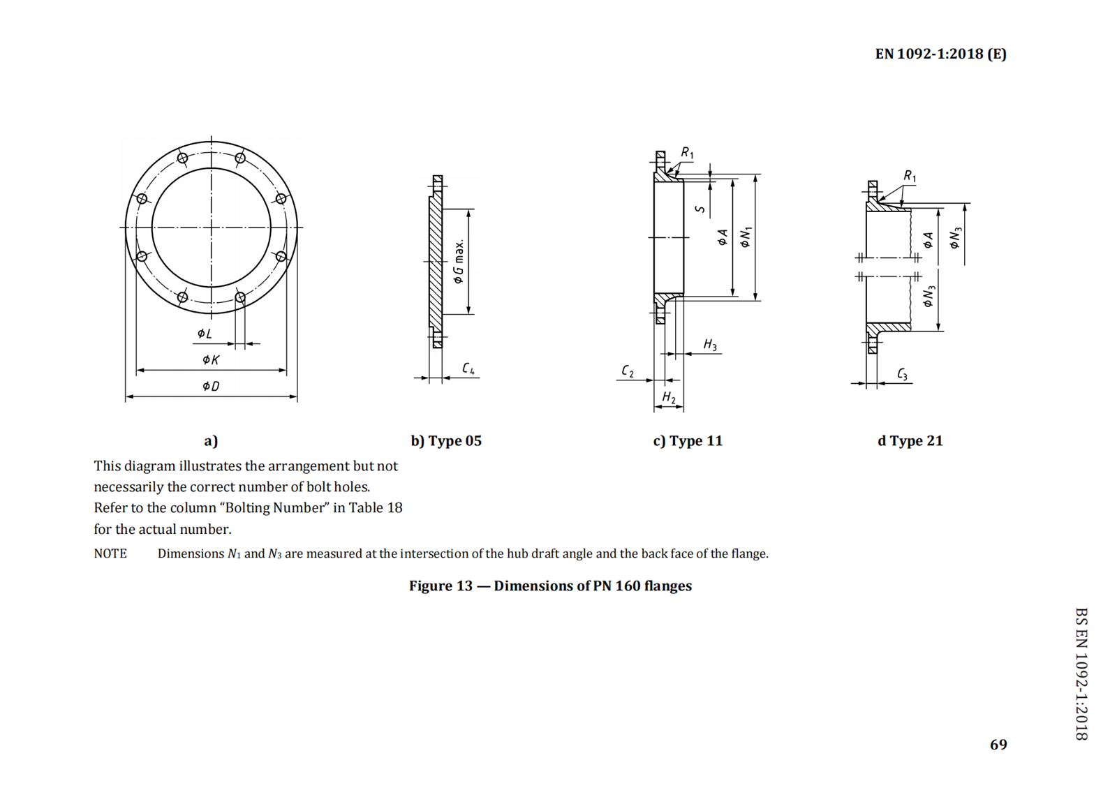
DIN EN 1092-1 Dimensões dos flanges PN 160
A norma DIN EN 1092-1 especifica as dimensões dos flanges PN 160, que são projetados para uso em sistemas de tubulação onde a pressão máxima permitida não excede PN 160 (160 bar ou aproximadamente 2.320 psi). Esses flanges são construídos para suportar condições de alta pressão e são comumente usados em indústrias como petróleo e gás, petroquímica e processamento químico.


Aqui estão as dimensões gerais dos flanges DIN EN 1092-1 PN 160:
Diâmetro Externo (OD):
O diâmetro externo dos flanges PN 160 varia de acordo com o tamanho nominal do tubo (NPS) e o tipo de flange. Os diâmetros externos comuns variam de aproximadamente 95 mm a mais de 2.000 mm.
Diâmetro do furo do parafuso:
O diâmetro do furo do parafuso normalmente varia de aproximadamente 12 mm a 36 mm, dependendo do tamanho e tipo do flange.
Diâmetro do círculo do parafuso (BCD):
O diâmetro do círculo do parafuso é o diâmetro do círculo formado pelos centros dos furos dos parafusos. É determinado com base no número de furos para parafusos e sua disposição.
Grossura:
A espessura dos flanges PN 160 varia dependendo de fatores como a classificação de pressão e o material de construção. Os valores de espessura comuns variam de aproximadamente 10 mm a 40 mm.
Diâmetro do cubo:
O diâmetro do cubo é o diâmetro da porção elevada no centro do flange. É padronizado com base no tamanho e tipo do flange.
Estas dimensões garantem compatibilidade e confiabilidade em sistemas de tubulação de alta pressão onde são usados flanges PN 160. É imprescindível consultar a norma DIN EN 1092-1 para dimensões e tolerâncias específicas exigidas para cada tamanho e tipo de flange.
Tipos de flanges PN 160:
Flanges de pescoço soldado
Flanges deslizantes
Flanges Rosqueadas
Flanges cegos
Flanges de solda de soquete
Tamanhos:
Os flanges PN 160 estão disponíveis em vários tamanhos para acomodar vários diâmetros de tubos. Os tamanhos comuns normalmente variam de DN 10 a DN 2000 e além, dependendo dos requisitos específicos e das capacidades do fabricante.
Materiais:
Os flanges PN 160 podem ser construídos com uma variedade de materiais adequados para aplicações de alta pressão. Alguns materiais comuns incluem:
Aço Carbono (por exemplo, ASTM A105)
Aço inoxidável (por exemplo, ASTM A182 F304/F304L, F316/F316L)
Liga de aço (por exemplo, ASTM A182 F11, F22)
Aço Inoxidável Duplex
Aço Inoxidável Super Duplex
Ligas de níquel (por exemplo, Inconel, Hastelloy)
Formulários:
Os flanges PN 160 são utilizados em indústrias e aplicações onde são encontradas condições de pressão extremamente alta. Essas aplicações incluem:
Extração e refino de petróleo e gás
Plantas Petroquímicas
Processamento Químico
Geração de energia (incluindo usinas nucleares)
Sistemas de tubulação industrial de alta pressão
Perguntas e respostas:
Q:Quais são as dimensões típicas dos flanges DIN EN 1092-1 PN 160?
A:As dimensões dos flanges PN 160 são padronizadas de acordo com a norma DIN EN 1092-1, incluindo diâmetro externo, diâmetro do furo, tamanho do furo do parafuso, diâmetro do círculo do parafuso, espessura e diâmetro do cubo.
Q:Quais materiais são comumente usados para flanges PN 160?
A:Os flanges PN 160 podem ser feitos de uma variedade de materiais adequados para aplicações de alta pressão, incluindo aço carbono, aço inoxidável, aço-liga, aço inoxidável duplex, aço inoxidável super duplex e várias ligas de níquel.
Q:Em quais indústrias os flanges PN 160 são normalmente empregados?
A:Os flanges PN 160 encontram aplicações em indústrias como petróleo e gás, petroquímica, processamento químico, geração de energia (incluindo usinas nucleares) e sistemas de tubulação industrial de alta pressão, onde prevalecem condições de pressão extrema.
Tag: din en 1092-1 dimensões de flanges pn 160, China din en 1092-1 dimensões de fabricantes e fornecedores de flanges pn 160
O próximo artigo
DIN EN 1092-1 Dimensões dos flanges PN 100Você pode gostar também
Enviar inquérito











